
Preview
TNKS-2400X80
Providing full stroke force between 37,120 N (8,345 lbf) and 41,035 N (9,225 lbf) TNKS-2400 is available in 10 stroke lengths.
Strokes 25,50,80 100 and 125 are offered as a part of the HYSON Preferred Program which provides optimal delivery.




Diagram / specifications section

Preview
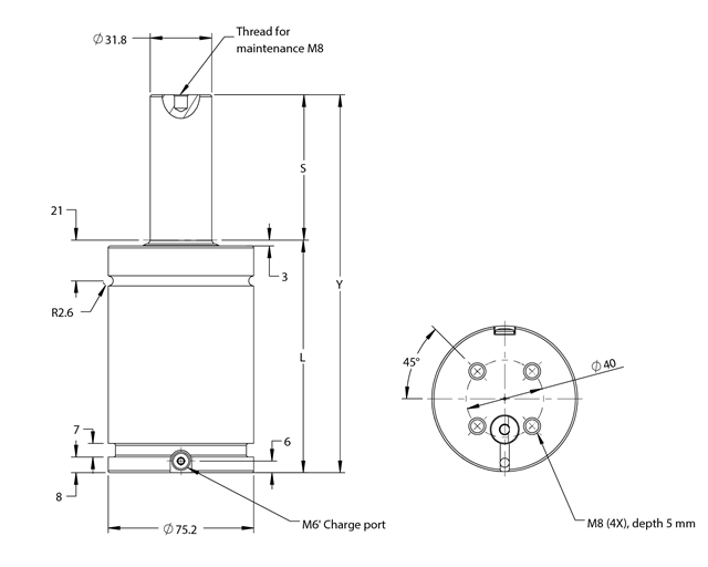
L | Minimum Length (in) | 4.92 |
S | Stroke Length (in) | 3.15 |
Y | Total Length (in) | 8.07 |
Item specifications
- Charging Pressure (Psi)2175
- End Force At Full Stroke (LBF)9080
- Force Increase By Temperature Percent Per (°F)0.17
- Gas Volume (CuF)0.010241253
- Initial Force at max. pressure (lbf) 5238
- Max Charging Pressure (Psi)2175
- Max Piston Rod Velocity (FtMin)314.96
- Max. Operating Temperature (F)176
- Min Charging Pressure (PSI)362
- Min. Operating Temperature (F)32
- Recommended Max Strokes Per Minute~ 20-100