
Preview
CB 5000x100
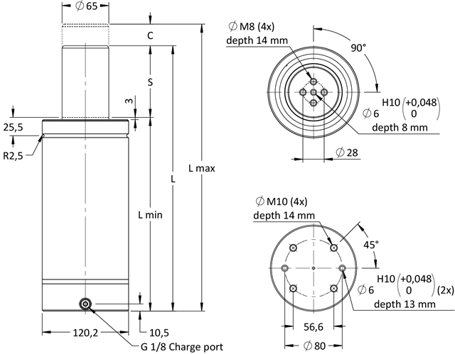
The cylinders are for counterbalance or if a holding force is needed, in various type of applications. The cylinders should always be built in and fixed both at the tube and piston rod side.
Note! The gas springs are not to be exposed to any pulling forces. If needed a mechanical stop must be installed to prevent this from happening.
Note! The gas springs are not to be exposed to any pulling forces. If needed a mechanical stop must be installed to prevent this from happening.
Diagram / specifications section

Preview
| L min | Minimum Length (in) | 10.6 |
| S | Stroke Length (in) | 3.9 |
| L | Total Length (in) | 15.7 |
Item specifications
- Colorblack
- End Force At Full Stroke (LBF)15220
- Force Increase By Temperature Percent Per (°F)0.17
- Gas Volume (CuF)0.0388465
- Initial Force at max. pressure (lbf) 9700
- Max Charging Pressure (Psi)1885.5
- Max Piston Rod Velocity (FtMin)157.48
- Max. Operating Temperature (°F)176
- Min Charging Pressure (PSI)362
- Recommended Max Strokes Per Minute30
- Weight (lb)39.2

